andyco40 Posted March 7, 2016 Posted March 7, 2016 hi guys im gonna redo my cp wos just wondering wot to go for a 6 button or 7 button or 8 button layout any advice please thanks.
JoyStickKilla Posted March 7, 2016 Posted March 7, 2016 Up to you and what you like and games you play
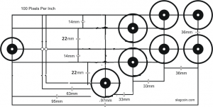
JoyStickKilla Posted March 7, 2016 Posted March 7, 2016 Print them out and put your fingers on then to test how it sort of feels to you
Metalzoic Posted March 8, 2016 Posted March 8, 2016 Print them out and put your fingers on then to test how it sort of feels to you This. Print a few full to-scale versions and try 'em out.
TheMadHatter Posted March 12, 2016 Posted March 12, 2016 I feel like 8 buttons would be too much. But I didn't play much arcade yet still setting it up. Are there a lot of games with 8 buttons? I would think 6 Sent from my iPhone using Tapatalk
Rincewind Posted March 13, 2016 Posted March 13, 2016 You can get away with 6 but 8 is best as the more modern consoles use 8 buttons, I use 8 and when I configure them I start from the left (closest to the joysticks) then if it only uses 4 buttons in the emulator then the ones left don't do anything, if its only 2 then theres 6 blanks an so on.... So really there is no point in not having 8 buttons
Metalzoic Posted March 16, 2016 Posted March 16, 2016 Yeah. If you want to play newer consoles and PC games 6 gives you a lot more to work with. If you're just sticking to older consoles and MAME then 6 is fine... until you decide to add something newer and could use the extra buttons. A lot of people compromise with 7 buttons instead.
Recommended Posts
Archived
This topic is now archived and is closed to further replies.