mameman Posted February 17, 2013 Posted February 17, 2013 Looking snazzy. Been working on another members p2k today. Seeing these pics makes me want to get on and finish my two!! PM me for any custom CNC needs. Find me on Facebook.. Xtreme Pinball or www.xtremepinball.com Ipad pinball cabinet iFlipper Here: See the Doctor Who build Here.... / See the Tron build Here.... / See the BattleStar Galactica build Here.... See the Big Bang Bar build Here.... / See the Twilight Zone build Here.... CNC Work Here.....
viriiguy Posted February 17, 2013 Author Posted February 17, 2013 Thanks Mameman! You should get hopping and get yours finished! Some days... No most days.. I really hate Windows 7. After running the updates for the OS, It would no longer shutdown. So rather than investigate as to why, I spent an hour doing a fresh load. That solved most of the issues, but I still have on major, nagging issue so far. Future Pinball will not take up the entire screen. I have arcade render on, I have it set to my resolution... But it refuses to cover the entire screen. It would not cover the taskbar. So I moved the taskbar to the DMD screen... Still the same results. Grrrrr!!!
viriiguy Posted February 18, 2013 Author Posted February 18, 2013 Well.. I'm an idiot. I clicked ArcadeRender, but never clicked Full Screen. Hence all my issues. So after 5 OS installs... I still had the same problem, then finally figured out what I was doing wrong. So, back on Windows 7 64 bit, and working out some bugs. Then I will start working on hooking up the Feedback gear.
viriiguy Posted February 18, 2013 Author Posted February 18, 2013 I am in the process of doing some of the wiring. Mostly, I re-did the head of the cabinet and installed/hooked up the sub, speakers and amp. I have to say.. considering I have less than I think $200 in the whole audio setup... It friggin rocks! I just plugged my iphone into it and played some LMFAO.. The 7 foot tall 4 foot wide windows in my 700 square foot vaulted ceiling livingroom were shaking! This is going to be AWESOME with some pinball sounds running thru it! I will post more pictures later. The inside of the cabinet is currently a MESS, but the head is looking good. Now to go rewire my Play Field TV to always be on.
viriiguy Posted February 19, 2013 Author Posted February 19, 2013 I got my sound hooked up so the wife took a quick video of it working. The reflection is awesome!! Especially considering it is just glass... No tint or anything atm.
viriiguy Posted February 19, 2013 Author Posted February 19, 2013 And the hits just keep on rolling. My DMD screen is now broken. It developed a is god green line, about 1/5th of the way in from the right. I will mess with it tomorrow, but I suspect at least for a while I will just make the DMD a bit smaller and cover it with tape. I can't exactly RMA it after removing it from the case and all.
viriiguy Posted February 19, 2013 Author Posted February 19, 2013 Not a clue. I was playing a game and it just appeared. I also have to figure out a solution to my PF glass. With the head properly mounted, it is about half an inch too long. I think if I cut the forward lip off the underside of my lock bar it will be ok. Update on the LCD, I was just going thru my receipts, it looks like that is an old monitor I had. Not one of the ones I just bought. So not such a big deal. I will mess with it when I get home today, see if I can fix or patch it. Then I have to do something about the lock bar/glass.
viriiguy Posted February 19, 2013 Author Posted February 19, 2013 Ok, well for the time being, I made the DMDs a bit smaller and covered the bad spot with black electrical tape. I checked all the connections and the cables.. It is definitely the screen. One thing I have noticed, is the DMD's reflection is doubled, giving a slight blur effect. That may or may not change when I tint the glass. We will see. I also removed the front lip on the underside of my lock bar. This solved the issue of my glass being just a bit too long. I had my glass cut to standard pinball size and checked it against my TAF glass. So a heads up for anyone building one of these, you should probably wait until it is all assembled and then get a measurement.... As your glass is likely going to need to be a tad shorter. Later this week, I plan to start wiring up the goodies. And I have quite a few of them. I still have to buy fuses too, so I will do some searching around and see what everyone is using.
mameman Posted February 19, 2013 Posted February 19, 2013 Yeah as you darken the screen for the reflection you will loose the 3d effect. I think I commented on that a couple years back on the tron build . PM me for any custom CNC needs. Find me on Facebook.. Xtreme Pinball or www.xtremepinball.com Ipad pinball cabinet iFlipper Here: See the Doctor Who build Here.... / See the Tron build Here.... / See the BattleStar Galactica build Here.... See the Big Bang Bar build Here.... / See the Twilight Zone build Here.... CNC Work Here.....
viriiguy Posted February 20, 2013 Author Posted February 20, 2013 Sweet. I will do some experimenting this weekend. I got another art update from Javier!!
luvthatapex Posted February 21, 2013 Posted February 21, 2013 Just for grins, I flipped my pin2k glass and put the clear half at the top for the DMD to reflect. As you say, the DMD image is all blury, so make no mistake you need either tint or a pin2k glass for a sharp DMD image. btw awesome artwork!
viriiguy Posted February 21, 2013 Author Posted February 21, 2013 Awesome! I hope to get some more work done this weekend.. and tinting being a part of that. Javier is doing a stunning job on my artwork! I can't wait to see the finished product.
viriiguy Posted February 22, 2013 Author Posted February 22, 2013 I started playing with nudging, using the MS sidewinder pro. Wit it assembled still and just sitting on the floor of my cabinet, I have it working very well in VP. Not so much in FP. I think I will mount under the lockbar and see how it works next.
viriiguy Posted February 24, 2013 Author Posted February 24, 2013 *sigh*... More setbacks. It looks like I blew up my 12 VDC power supply and my I-Pac. I have a new i-Pac 2 ordered.. and I will use a modded PC Power supply for the time being, so I can continue. As best I can tell, I had a skinned spot on my 12 VDC power cable and the ground wire for the ipac hit it.
miglea85 Posted February 25, 2013 Posted February 25, 2013 Man, you are extreme. I love your virtual pinball and it is an inspiration for me. Thank's alot for your very good job
viriiguy Posted February 25, 2013 Author Posted February 25, 2013 Thank you! Right now I would say extremely unlucky. But it will be working soon enough!
viriiguy Posted February 25, 2013 Author Posted February 25, 2013 Ok, so a slight change to my plan. After blowing up my ipa and a couple power supplies, I bought KonkyKongs feedback setup with zebulons boards. I am going to go that route and sell off the boards I have soldered up, along with what ever else I have left over. Mostly due to the fact his sale is just such a good deal at the moment. So, now back to the drawing board.
DeeGor Posted February 25, 2013 Posted February 25, 2013 That sucks that you ran into so many issues. The toughest part of these builds is usually the electrical. Thankfully Zeb has created his booster boards to make wiring these up a breeze.
viriiguy Posted February 25, 2013 Author Posted February 25, 2013 Yea I am still not convinced I shorted out the wires. I only found one that was skinned. It should take two. But since I would be spending more money on parts anyway... And my birthday is six days away... His deal was too good to pass up. I should be able to sell my leftover parts and get $200 or so back. And this way it should look a lot neater. Now to figure out the wiring for Zebs cards.
viriiguy Posted February 26, 2013 Author Posted February 26, 2013 Here is a quick and dirty mock up of how the cabinet will look when finished There are some minor bits to do to the art still..and the other side to finish...
mameman Posted February 26, 2013 Posted February 26, 2013 Liking it, my only thought now seeing it is the torn Optimus on the head. While I Like the graphic, it makes little sense. Partly I think cause its a back view, most we see is front and his face. Maybe he needs to behind something? Not sure. Just my 2 cents PM me for any custom CNC needs. Find me on Facebook.. Xtreme Pinball or www.xtremepinball.com Ipad pinball cabinet iFlipper Here: See the Doctor Who build Here.... / See the Tron build Here.... / See the BattleStar Galactica build Here.... See the Big Bang Bar build Here.... / See the Twilight Zone build Here.... CNC Work Here.....
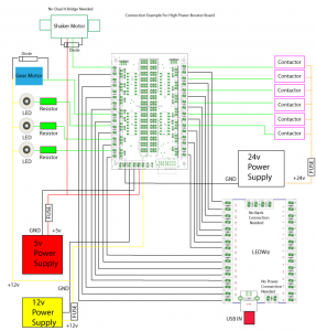
zebulon Posted February 26, 2013 Posted February 26, 2013 aaahhh another one brought over to the dark side.... Nice score on the parts. Here's some info for those boards. Dee has some better info stashed somewhere on the net. I'm sure with some unabashed flattery he could be persuaded to cough up the links. I know so much about so little that I could teach you everything there is to know about nothing....
metlfan2003 Posted February 26, 2013 Posted February 26, 2013 aaahhh another one brought over to the dark side....Nice score on the parts. Here's some info for those boards. [ATTACH=CONFIG]24476[/ATTACH] Dee has some better info stashed somewhere on the net. I'm sure with some unabashed flattery he could be persuaded to cough up the links. Not meaning to hijack, but what size fuses are recommended for each power supply? Does it depend on the setup, or is there a good standard sized fuse to use?
zebulon Posted February 26, 2013 Posted February 26, 2013 Depends on the setup but a good rule of thumb is 3A-4A fast blow rated fuses. I know so much about so little that I could teach you everything there is to know about nothing....
Recommended Posts
Archived
This topic is now archived and is closed to further replies.